泰科龙阀门科技(江苏)有限公司-流体控制阀门-球阀、衬氟阀门、衬胶阀门一体供应商



SD44X手动快开排泥阀

  • 产品详情

SD44X手动快开排泥阀(图1)

SD44X手动快开排泥阀主要用于自来水公司各类水池外,用以排除池底泥沙或污物。本阀由主阀、齿轮箱、齿条手柄、挡位等组成。工作时只要把手柄往下按定位就可以开启,相反就快速关闭。
主要技术参数
公称压力:1.0MPa    适用介质:水、污水、泥沙
适用温度:常温         阀体齿轮材料:HT200
阀杆材料:不锈钢       阀瓣材料:衬胶板NBR
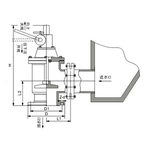
SD44X手动快开排泥阀(图2)
主要外形尺寸

 

公称通径
DN(mm)
主要尺寸(mm)
H
L1
L2
D
D1
Z-d
80
450
135
125
195
160
4-18
100
490
165
125
215
180
8-18
150
670
205
145
280
240
8-23
200
760
220
185
335
295
8-23
250
825
260
205
390
350
12-23


TAG:


返回顶部