

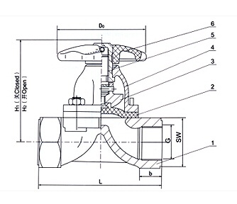
公称通径 | 公称压力 MPa | 工作压力 MPa | L mm | SW mm | b mm | H1 mm | b mm | D0 mm | 质量 Kg/kilos | |
DN | G | |||||||||
8 | 1/4 | 1.6 | 1.6 | 50 | 20 | - | 60 | 66 | 45 | 0.6 |
10 | 3/8 | 50 | 24 | - | 45 | 0.7 | ||||
15 | 1/2 | 65 | 38 | 8 | 84 | 92 | 50 | 0.8 | ||
20 | 3/4 | 85 | 40 | 12 | 93 | 103 | 50 | 1.1 | ||
25 | 1 | 110 | 48 | 18 | 106 | 120 | 66 | 1.9 | ||
32 | 1 1/4 | 120 | 58 | 18 | 137 | 156 | 96 | 3.3 | ||
40 | 1 1/2 | 140 | 69 | 18 | 142 | 163 | 96 | 4.2 | ||
50 | 2 | 165 | 85 | 20 | 167 | 192 | 96 | 5.8 | ||
65 | 2 1/2 | 1.0 | 203 | 60 | 20 | 190 | 225 | 165 | 9.5 | |
80 | 3 | 254 | 105 | 32 | 206 | 246 | 230 | 16.2 | ||
![]()