

介质种类 | 蒸汽、常温液体、气体等、高温液体、气体 | ||||||||||||||
介质温度(℃) | ≤200 | ||||||||||||||
工称压力(Mpa) | 1.6 | ||||||||||||||
电源电压 | AC220V·DC24V其余规格可作特殊订货 | ||||||||||||||
公称通径(mm) | 15 | 20 | 25 | 32 | 40 | 50 | 65 | 80 | 100 | 125 | 150 | 200 | 250 | 300 | 350 |
流量系数 Kv值 | 2.8 | 5 | 8.5 | 12 | 18 | 28 | 45 | 70 | 110 | 180 | 250 | 600 | 870 | 1000 | 1320 |
工作压力(Mpa) | 0.04~1.6 | 0.1~1.6 | |||||||||||||
功率 VA | 40 30 | 50 | |||||||||||||
阀体材质 | 铸钢和不锈钢 | ||||||||||||||


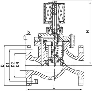
公称通径 DN | 内螺纹连接 | 法兰连接 | |||||||||
内螺纹 | 外形尺寸 | 外形尺寸 | 法兰尺寸 | ||||||||
G | H | L | H | L | D | D1 | D2 | n-d | b | f | |
15 | 1/2 | 148 | 92 | 176 | 130 | 95 | 65 | 46 | 4-Ø14 | 14 | 2 |
20 | 3/4 | 148 | 92 | 181 | 150 | 105 | 75 | 56 | 4-Ø14 | 16 | 2 |
25 | 1 | 148 | 110 | 210 | 160 | 115 | 85 | 65 | 4-Ø14 | 16 | 3 |
32 | 1 1/4 | 182 | 120 | 221 | 180 | 140 | 100 | 76 | 4-Ø18 | 18 | 3 |
40 | 1 1/2 | 182 | 140 | 230 | 200 | 150 | 110 | 84 | 4-Ø18 | 18 | 3 |
50 | 2″ | 192 | 162 | 252 | 230 | 165 | 125 | 99 | 4-Ø18 | 20 | 3 |
65 | 260 | 290 | 185 | 145 | 118 | 4-φ18 | 20 | 3 | |||
80 | 260 | 310 | 200 | 160 | 132 | 4-φ18 | 20 | 3 | |||
100 | 290 | 350 | 220 | 180 | 156 | 4-φ18 | 22 | 3 | |||
125 | 365 | 400 | 250 | 210 | 184 | 4-φ18 | 22 | 3 | |||
150 | 400 | 480 | 285 | 240 | 211 | 4-φ22 | 24 | 3 | |||
200 | 443 | 600 | 340 | 295 | 266 | 4-φ26 | 24 | 3 | |||
250 | 493 | 750 | 395 | 350 | 319 | 4-φ26 | 26 | 4 | |||
300 | 549 | 850 | 445 | 400 | 370 | 4-φ26 | 28 | 4 | |||
350 | 600 | 980 | 520 | 470 | 429 | 4-φ26 | 30 | 4 | |||
![]()