
设计与制造 | GB/T12235 | |
连接端尺寸 | 结构长度 | GB/T12221 |
法兰尺寸 | JB/T79 | |
检验与试验 | JB/T9092 | |
材料 | 碳钢 | GB/T12229 |
不锈钢 | GB/T12230 | |
合金钢 | Q/ZB66 | |
标志 | GB/T12220 | |
供货 | JB/T7928 | |
公称压力PN | 2.5 | 4.0 | MPa |
壳体试验压力PT | 3.75 | 6.0 | |
高压密封试验压力 | 2.75 | 4.4 | |
适用介质 | 液化气、天然气等 | ||
适用温度 | -20∽+200℃ | ||
法兰连接标准 | JB/T 79-94 | ||

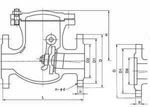
公称通径DN | L | D | D1 | D2 | b | Z-Φd | H | WT(Kg) |
H44N-16C | ||||||||
50 | 230 | 160 | 125 | 100 | 16 | 4-Φ18 | 135 | 21 |
65 | 290 | 180 | 145 | 120 | 18 | 4-Φ18 | 142 | 28 |
80 | 310 | 195 | 160 | 135 | ||||
![]()