
公称压力(Mpa) | 壳体试验压力(MPa) | 密封试验压力(MPa) | 适用介质 | 介质温度(℃) |
1.0 | 1.5 | 1.1 | 水 | 0-80 |
1.6 | 2.4 | 1.76 | ||
2.5 | 3.75 | 2.75 |
零件名称 | 零件材料 |
阀体 阀盖 | WCB |
阀座 阀盘 | 铜合金 |
密封圈 O型圈 | 丁腈橡胶 |
阀杆 | 2Cr13 |
弹簧 | 50CrVA |
针型阀 | 铜合金 |
球阀 | 铜合金 |
浮球阀 | 铜合金 |
微型过滤器 | 不锈钢 |

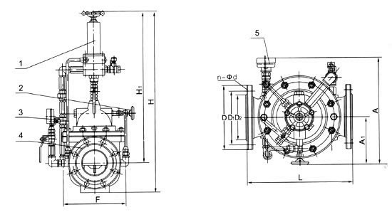
DN | L | A | A1 | H | H1 | F | D mm | D1 mm | D2 mm | n-Φd | ||||||||
mm | mm | mm | mm | mm | mm | PN1.0 | PN1.6 | PN2.5 | PN1.0 | PN1.6 | PN2.5 | PN1.0 | PN1.6 | PN2.5 | PN1.0 | PN1.6 | PN2.5 | |
20 | 180 | 330 | 130 | 550 | 460 | 116 | 105 | 105 | 105 | 75 | 75 | 75 | 58 | 58 | 56 | 4-13.5 | 4-13.5 | 4-14 |
25 | 180 | 330 | 130 | 550 | 460 | 116 | 115 | 115 | 115 | 85 | 85 | 85 | 68 | 68 | 65 | 4-13.5 | 4-13.5 | 4-14 |
32 | 180 | 330 | 130 | 550 | 460 | 116 | 140 | 140 | 140 | 100 | 100 | 100 | 78 | 78 | 76 | 4-17.5 | 4-17.5 | 4-18 |
40 | 240 | 345 | 135 | 610 | 516 | 170 | 150 | 150 | 150 | 110 | 110 | 110 | 88 | 88 | 84 | 4-17.5 | 4-17.5 | 4-18 |
50 | 240 | 345 | 135 | 610 | 516 | 170 | 165 | 165 | 165 | 125 | 125 | 125 | 102 | 102 | 99 | 4-17.5 | 4-17.5 | 4-18 |
65 | 250 | 355 | 140 | 625 | 520 | 180 | 185 | 185 | 185 | 145 | 145 | 145 | 122 | 122 | 118 | 4-17.5 | 4-17.5 | 8-18 |
80 | 285 | 360 | 146 | 645 | 538 | 210 | 200 | 200 | 200 | 160 | 160 | 160 | 133 | 133 | 132 | 8-17.5 | 8-17.5 | 8-18 |
100 | 360 | 400 | 156 | 750 | 596 | 275 | 220 | 220 | 235 | 180 | 180 | 190 | 158 | 158 | 156 | 8-17.5 | 8-17.5 | 8-22 |
125 | 400 | 420 | 170 | 808 | 655 | 310 | 250 | 250 | 270 | 210 | 210 | 220 | 184 | 184 | 184 | 8-17.5 | 8-17.5 | 8-26 |
150 | 455 | 435 | 186 | 864 | 710 | 355 | 285 | 285 | 300 | 240 | 240 | 250 | 212 | 212 | 211 | 8-22 | 8-22 | 8-26 |
200 | 585 | 480 | 206 | 1135 | 805 | 460 | 340 | 340 | 360 | 295 | 295 | 310 | 268 | 268 | 274 | 8-22 | 12-22 | 12-26 |
250 | 650 | 530 | 226 | 1185 | 855 | 500 | 395 | 405 | 425 | 350 | 355 | 370 | 320 | 320 | 330 | 12-22 | 12-26 | 12-30 |
300 | 800 | 575 | 246 | 1325 | 955 | 580 | 445 | 460 | 485 | 400 | 410 | 430 | 370 | 370 | 389 | 12-22 | 12-26 | 16-30 |
350 | 860 | 620 | 275 | 1385 | 990 | 640 | 505 | 520 | 555 | 460 | 470 | 490 | 430 | 430 | 448 | 16-22 | 16-26 | 16-33 |
400 | 960 | 635 | 286 | 1445 | 1030 | 715 | 565 | 580 | 620 | 515 | 525 | 550 | 482 | 482 | 503 | 16-26 | 16-30 | 16-36 |
450 | 1075 | 665 | 320 | 1325 | 905 | 780 | 615 | 640 | 670 | 565 | 585 | 600 | 532 | 550 | 548 | 20-26 | 20-30 | 20-36 |
500 | 1075 | 695 | 348 | 1430 | 960 | 830 | 670 | 715 | 730 | 620 | 650 | 660 | 585 | 585 | 609 | 20-26 | 20-33 | 20-36 |
600 | 1230 | 720 | 372 | 1565 | 1020 | 920 | 780 | 840 | 845 | 725 | 770 | 770 | 685 | 685 | 720 | 20-30 | 20-36 | 20-39 |
700 | 1650 | 770 | 422 | 1755 | 1160 | 980 | 895 | 910 | 960 | 840 | 840 | 875 | 800 | 800 | 820 | 24-30 | 24-36 | 24-42 |
800 | 1750 | 805 | 458 | 2230 | 1515 | 1050 | 1015 | 1025 | 1085 | 950 | 950 | 990 | 905 | 905 | 928 | 24-33 | 24-39 | 24-48 |
安装示意图

![]()